EDA365电子论坛网

标题: 精确度与功率如何权衡?Refulator™ 帮你解决 [打印本页]

作者: A-Lin    时间: 2018-11-20 10:33
标题: 精确度与功率如何权衡?Refulator™ 帮你解决
本帖最后由 A-Lin 于 2018-11-20 10:35 编辑 # q8 B) k( R+ U, `% G( l
' A( L- W8 r7 h) |8 g& ?1 {
精确度与功率如何权衡?Refulator™ 帮你解决
9 I( X; Q; \8 U5 G; l
       精确的模拟电路设计师常常依靠静静地安居一隅的电压基准给 DAC 和 ADC 转换器供电。其实这已经超出了电压基准的基本职责范围,因为电压基准本来只为了给转换器的基准输入提供一个干净、精确和稳定的电压。在不违反一些注意事项的情况下,用电压基准供电通常也是可行的,这也是应对电流日益提高的应用时,人们总是希望采用电压基准的原因。毕竟,如果电压基准可以给转换器供电,那为什么不能给模拟信号链路或其他转换器以及更多的组件供电呢?
       很多时候在设计过程中,需要在精确度和功率之间做出抉择。如果采用比较“暴力”的方法,就在需要高精确度时使用电压基准,需要毫瓦级功率时使用稳压器。这样做除了增加所需电路板空间和成本,还必须通过特定路径单独传送信号,即使这些信号的标称电压相同。而且,如果需要一个高精确度电压源提供毫瓦级功率,那么设计师就必须对基准进行缓冲。LT6658 提供两个低噪声、高精确度输出,总共提供 200mA 输出电流,还提供世界级的基准规格,从而解除了这个困境。
       概述
       LT6658 是一款精准的低噪声、低漂移稳压器,其兼具基准的准确度指标和线性稳压器的性能。LT6658 拥有 10ppm/°C 的漂移和 0.05% 的初始准确度。在 LT6658 的电源侧上具有两个提供 150mA 和 50mA 的输出,它们各具 20mA 的有源电流吸收能力。为了保持准确度,负载调整率为 0.1ppm/mA。当输入电压电源引脚连接在一起时,   电压调整率通常为 1.4ppm/V;而当给输入引脚提供单独的电源时,电压调整率则小于 0.1ppm/V。
       为了更好地理解 LT6658 的功能及其工作方式,通过图 1 给出了一个典型应用。LT6658 由一个带隙级、一个降噪级和两个输出缓冲器组成。带隙级和两个输出缓冲器单独供电,以提供出色的隔离度。每个输出缓冲器都有一个开尔文检测反馈引脚,以提供最佳负载调节。

5 S0 e+ k3 e  R7 {% F1 l! Y
1LT6658 的典型应用
       降噪级由一个 400W 电阻器组成,还为连接一个外部电容器提供了引脚。这个 RC 网络起到了低通滤波器的作用,限制了带隙级噪声的带宽。外部电容器可以任意大,以将噪声带宽减小到非常低的频率。
       电流供应和吸收
       作为一个稳压器,LT6658 从 VOUT1_F 引脚提供 150mA,从 VOUT2_F 引脚提供 50mA,而且这两个引脚均吸收 20mA。有源吸收能力有助于获得卓越的瞬态响应并实现快速稳定。瞬态响应时间是很简短,同时保持了超卓的 0.1ppm/mA 负载调整率。
       输出跟踪
       如果应用有多个使用不同电压基准的转换器,那么即使输出设定为不同的电压,LT6658 的输出也会实现跟踪,以确保一致的转换结果。这样做是可能的,因为 LT6658 的两个输出是用公共电压源驱动的。输出缓冲器进行了微调,可实现出色的跟踪效果和低漂移。当 VOUT1_F 上的负载从 0 提高到 150mA 时,VOUT2 输出的变化小于 12ppm。也就是说,甚至随着负载和工作条件的变化,输出之间的关系也能得到很好的保持。
       电源抑制和隔离
       为了方便实现出色的电源抑制和输出隔离,LT6658 提供 3 个电源引脚。VIN 引脚给带隙电路供电,VIN1 和 VIN2 分别给 VOUT1 和 VOUT2 供电。最简单的方法是,连接所有 3 个电源引脚,以提供 1.4ppm/V 的典型 DC 电源抑制。当电源引脚单独连接时,VIN1 电源切换,针对 VOUT2 的 DC 电压调节是 0.06ppm/V。VIN 电源灵敏度最高,在输出上引起 1.4ppm/V 的典型变化。电源引脚 VIN1 和 VIN2 几乎不产生影响。
       隔离良好的输出缓冲器抑制来自相邻缓冲器的负载瞬态,对相邻输出产生最小影响。图 2a 和 2b 说明了通道至通道输出隔离。一个输出在 50mVrms 上摆动,所画曲线表示相邻缓冲器中的变化。
9 C& F+ f4 a5 _5 c/ R
      
           ( 2aVOUT1 VOUT2)           ( 2b VOUT2 VOUT1)
2:通道至通道负载隔离

1 Q6 N* F" @; ^& j. e
2.5V Channel to Channel Load Isolation VOUT1 to VOUT2:2.5V 通道至通道负载隔离,VOUT1 至 VOUT2
VOUT2 CHANNEL TO CHANNEL ISOLATION:VOUT2 通道至通道隔离
50mVRMS Signal On VOUT1:VOUT1 上的 50mVRMS 信号
FREQUENCY:频率

+ X% E7 b! O5 u1 B+ a
       电源管理和保护
       3 个电源引脚有助于控制封装中消耗功率的多少。当提供大电流时,降低电源电压以最大限度降低 LT6658 中的功耗。跨输出器件两端将出现较低的电压,从而实现较低的功耗和较高的效率。
       输出禁止引脚 OD 关断输出缓冲器,并将 VOUT_F 引脚置于高阻抗状态。一旦出现故障情况,这样做就很有用。例如,负载可能损坏和短路。外部电路可以检测到这种情况,这时两个输出都可以被禁止。这个功能也可以忽略不理,这时当 OD 引脚浮置或连至高电平时,弱上拉电流将启动输出缓冲器。
       LT6658 采用 MSE-16 裸露焊盘封装,qJA 低至 35°C/W。当电源电压为高时,电源效率将较低,从而导致封装中产生过多的热量。例如,在满负载时,一个 32.5V 的电源电压将在输出器件上产生 30V x 0.2A 的过量功率。过量功率的总数为 6W,这将使内部芯片温度上升至比环境温度高 210°C!为了保护器件,当芯片温度超过 165°C 时,热停机电路将停用输出缓冲器。
       噪声
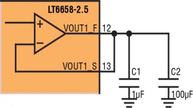
       就数据转换器和其他高精确度应用而言,噪声是一个重要参数。在 NR (降噪) 引脚上增加一个电容器,低噪声 LT6658 的噪声甚至可以变得更低。在 NR 引脚上的电容器与一个内置 400W 电阻器一起,形成了一个低通滤波器。大型电容器降低了滤波器频率,因此降低了总的综合噪声。图 3a 显示,提高 NR 引脚上的电容器值所产生的效果。采用 10μF 电容器时,噪声滚降至大约 7nV/ÖHz。
       通过增大输出电容器,噪声可以进一步降低。当 NR 和输出电容器都增大时,输出噪声就可以降至几微伏。使用 1μF 至 50μF 的输出电容器,LT6658 是稳定的。如果并联放置一个 1μF 的陶瓷电容器,那么输出用较大的电容也可以稳定。例如,图 3b 显示了一个 1μF 陶瓷电容器与一个 100μF 聚合铝电容器并联的电路。这种配置在降低噪声带宽时仍然保持稳定。图 3c 说明了不同输出电容值时的噪声响应。在所有这 3 种情况下,都有一个小型 1μF 陶瓷电容器与一个较大的电容器并联。

9 V  K# u/ n6 T: Q( ]
     
3a                                     3b                                    3c

) X- j) X, n2 q0 t+ s- z1 ]2 @
3:图 3a - 通过提高 CNR 降噪,图 3b 3c - 通过提高输出电容降噪

) E  v# h- [1 R
OUTPUT VOLTAGE NOISE:输出电压噪声
FREQUENCY:频率

# w& z1 r4 F5 t  m# t/ E$ [
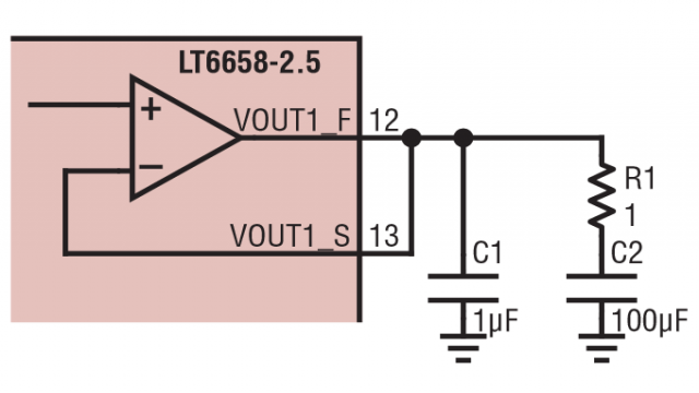
       这种方案的一个缺点是噪声峰值,噪声峰值可能增大总的综合噪声。为了降低噪声峰值,可以插入一个与大型输出电容器串联的 1W 电阻器,如图 4a 所示。输出电压噪声和总的综合噪声分别如图 4b 和 4c 所示。
       图 4a                                    4b                                 4c
" [. T9 f6 P, _* c" Z
4:通过增加一个与 C2 串联的 1W 电阻器降低噪声峰值。图 4a 是电路,图 4b 是输出电压噪声,图 4c 是总的综合噪声 (10Hz 1MHz)

& V4 {2 z8 v% ~9 B; N
OUTPUT VOLTAGE NOISE:输出电压噪声
FREQUENCY:频率
INTEGRATED NOISE:综合噪声
( o) a) q& F3 s: n
       应用
       LT6658 能够以很低的噪声精确地为多种要求苛刻的应用提供电源。在混合信号世界中,数据转换器常常由微控制器或 FPGA 控制。传感器为模拟处理电路和转换器提供信号,所有这一切都需要干净无噪声的电源。微控制器可以有几种电源输入,包括模拟电源。作为一般原则,提供给微控制器的有噪声数字电源电压应该与干净精确的模拟电源和基准隔离开。LT6658 的两个输出提供出色的通道至通道隔离度、电源抑制和电源电流能力,从而确保为多种敏感的模拟电路提供干净的电源。
       LT6658 还非常适合工业环境,能够用有噪声电源轨运行,而且在一个输出上由转换引起的负载干扰对于在相邻输出的影响非常小。此外,当负载在一个输出上需要电流时,相邻输出继续跟踪。
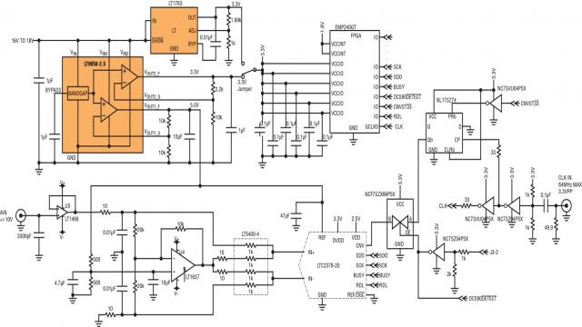
       图 5 所示电路说明的是,LT6658 在为有噪声数字电路供电的同时,还保持为高精确度 ADC 提供一个安静、精确的基准电压。

0 f8 E* _6 s) E
5a
5b
5:有噪声数字测试电路举例 (5a);测试结果条形图 (5b)

' X, f, {! E% _  ]' H! a
Regulator:稳压器
SAMPLES:样本
ADC COUNTS:ADC 计数
       在本应用中,LT6658 或一个单独的稳压器电源为在一个通道上驱动一个有噪声 FPGA 电源 (VCCIO) 和某种混杂逻辑的 3.3V 电源轨供电,并向另一个通道上的 20 位 ADC 之基准输入提供 5V 电源。通过在 LT6658 和稳压器之间切换数字电源,我们可对 LT6658 把一个通道上的数字噪声与驱动 20 位 ADC 之安静基准输入的通道相隔离所能达到的水平进行评估。如图 5b 所示,在 ADC 的输入端上使用一个干净的 DC 电源即可推断噪声。无论是由 LT6658 还是由稳压器电源给FPGA 的 VCCIO 引脚供电,直方图并无明显的不同,这展示了 LT6658 坚固的稳压和隔离性能。
       结论
       LT6658 是基准和稳压器领域发展的下一步。对于精准型模拟电源而言,精准性能和从单个封装提供 200mA 组合式电流的能力是一种模式转移。噪声抑制、通道至通道隔离、跟踪和负载调节等特点把该产品不偏不倚地置于未来精准型模拟基准和电源解决方案的成长道路上。利用这种新方法,应用将无须牺牲精度或功耗指标。

4 V4 m' Q- s: h
作者: gaoxings    时间: 2018-11-20 14:59
学习一下




欢迎光临 EDA365电子论坛网 (https://bbs.eda365.com/) Powered by Discuz! X3.2